网站首页
公司简介
凤凰自行车
美乐链条车圈
华久辐条
凤曜车业
凤驰金属
美信塑业
宾得光学
恒翔包装科技
美亚房地产
美乐森林幼儿园
产品中心
美乐车圈
华久辐条
美乐链条
宾得光学
菲尼仕
集团概括
可持续发展
新闻中心
公司新闻
行业资讯
联系我们
联系方式
中 / ENG
网站首页
公司简介
凤凰自行车
美乐链条车圈
华久辐条
凤曜车业
凤驰金属
美信塑业
宾得光学
恒翔包装科技
美亚房地产
美乐森林幼儿园
产品中心
美乐车圈
华久辐条
美乐链条
宾得光学
菲尼仕
集团概括
可持续发展
新闻中心
公司新闻
行业资讯
联系我们
联系方式
中 / ENG
News
新闻中心
公司新闻
行业资讯
首页
新闻中心
公司新闻
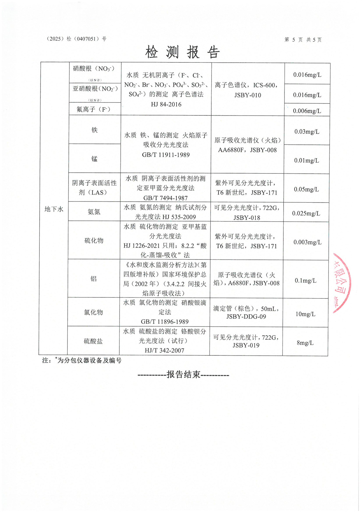
江苏华久辐条制造有限公司2025年半年度地下水检测
日期:2025-12-31
浏览次数:342
上一篇:
江苏美乐车圈有限公司2025年半年度地下水检测
下一篇:
践行“双碳”战略 共筑绿色未来——自行车行业绿色低碳发展与投资工作交流会在江苏丹阳成功召开
Copyright © 江苏美乐控股集团 版权所有
首页
产品
新闻
联系